OEM ЗАПЧАСТИ

  info@automotohub.ru   8 (916) 294-84-77
  О Компании   Оплата и Доставка   Помощь   Обратная связь

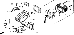
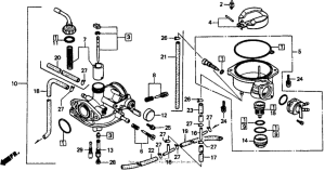
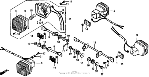
Запчасти для мотоциклов Honda CT70

Год: 1991  •  Код модели: CT70 AC  •  Объем двигателя: 70
Запчасти для мотоциклов Honda CT70
{modalWnd}