OEM ЗАПЧАСТИ

  info@automotohub.ru   8 (916) 294-84-77
  О Компании   Оплата и Доставка   Помощь   Обратная связь

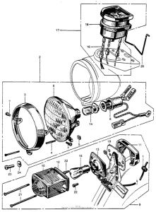
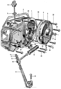
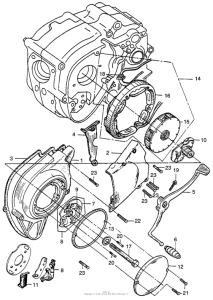
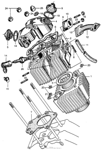
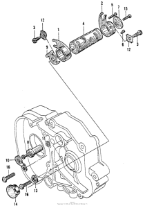
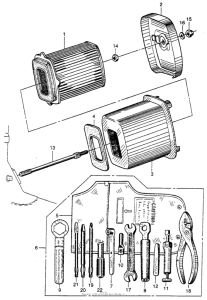
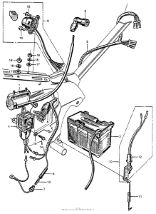
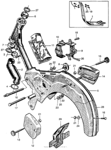
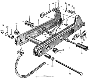
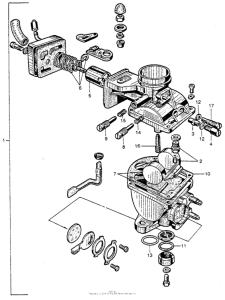
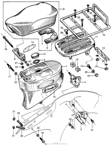
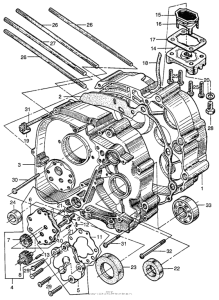
Запчасти для мотоциклов Honda CT200

  •  Код модели: CT200 A  •  Объем двигателя: 200
Запчасти для мотоциклов Honda CT200
{modalWnd}