OEM ЗАПЧАСТИ

  info@automotohub.ru   8 (916) 294-84-77
  О Компании   Оплата и Доставка   Помощь   Обратная связь

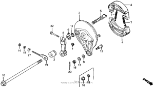
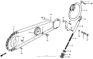
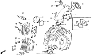
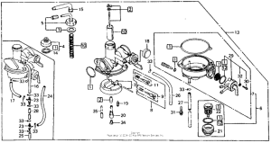
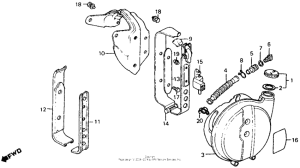
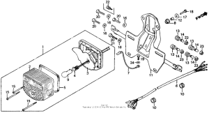
Запчасти для мотоциклов Honda CT110

Год: 1986  •  Код модели: CT110 A  •  Объем двигателя: 110
Запчасти для мотоциклов Honda CT110
{modalWnd}