OEM ЗАПЧАСТИ

  info@automotohub.ru   8 (916) 294-84-77
  О Компании   Оплата и Доставка   Помощь   Обратная связь

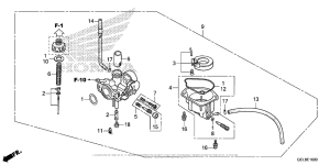
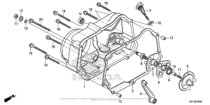
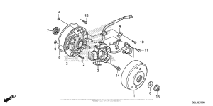
Запчасти для мотоциклов Honda CRF50F

Год: 2015  •  Код модели: CRF50F AC  •  Объем двигателя: 50
Запчасти для мотоциклов Honda CRF50F
{modalWnd}