OEM ЗАПЧАСТИ

  info@automotohub.ru   8 (916) 294-84-77
  О Компании   Оплата и Доставка   Помощь   Обратная связь

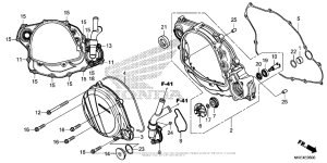
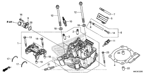
Запчасти для мотоциклов Honda CRF450RX

Год: 2017  •  Код модели: CRF450RX AC  •  Объем двигателя: 450
Запчасти для мотоциклов Honda  CRF450RX
{modalWnd}