OEM ЗАПЧАСТИ

  info@automotohub.ru   8 (916) 294-84-77
  О Компании   Оплата и Доставка   Помощь   Обратная связь

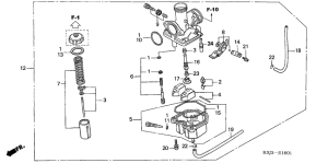
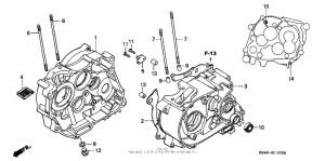
Запчасти для мотоциклов Honda CRF100F

Год: 2007  •  Код модели: CRF100F A  •  Объем двигателя: 100
Запчасти для мотоциклов Honda CRF100F
Выбирайте узел вашей техники:


{modalWnd}