OEM ЗАПЧАСТИ

  info@automotohub.ru   8 (916) 294-84-77
  О Компании   Оплата и Доставка   Помощь   Обратная связь

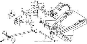
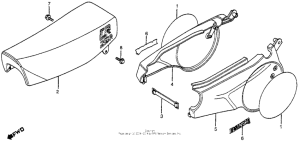
Запчасти для мотоциклов Honda CR250R

Год: 1980  •  Код модели: CR250R A  •  Объем двигателя: 250
Запчасти для мотоциклов Honda CR250R
{modalWnd}