OEM ЗАПЧАСТИ

  info@automotohub.ru   8 (916) 294-84-77
  О Компании   Оплата и Доставка   Помощь   Обратная связь

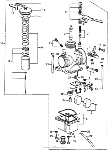
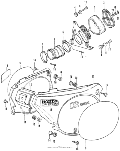
Запчасти для мотоциклов Honda CR250

  •  Код модели: CR250M A  •  Объем двигателя: 250
Запчасти для мотоциклов Honda CR250
{modalWnd}