OEM ЗАПЧАСТИ

  info@automotohub.ru   8 (916) 294-84-77
  О Компании   Оплата и Доставка   Помощь   Обратная связь

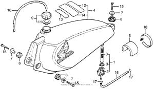
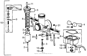
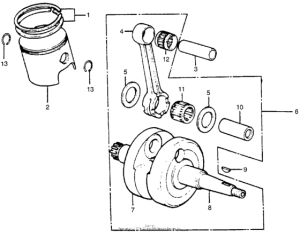
Запчасти для мотоциклов Honda CR125

Год: 1976  •  Код модели: CR125M A  •  Объем двигателя: 125
Запчасти для мотоциклов Honda CR125
{modalWnd}