OEM ЗАПЧАСТИ

  info@automotohub.ru   8 (916) 294-84-77
  О Компании   Оплата и Доставка   Помощь   Обратная связь

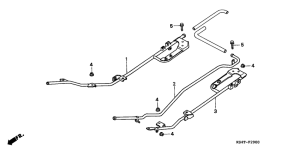
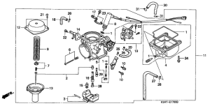
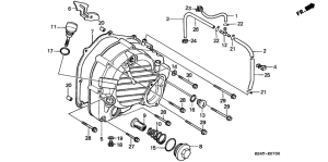
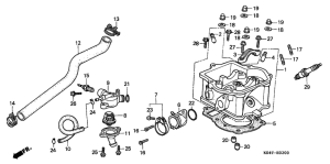
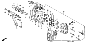
Запчасти для мотоциклов Honda CN250 Helix

Год: 1997  •  Код модели: CN250 A  •  Объем двигателя: 250
Запчасти для мотоциклов Honda CN250 Helix
Выбирайте узел вашей техники:


{modalWnd}