OEM ЗАПЧАСТИ

  info@automotohub.ru   8 (916) 294-84-77
  О Компании   Оплата и Доставка   Помощь   Обратная связь

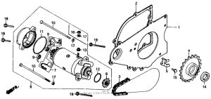
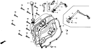
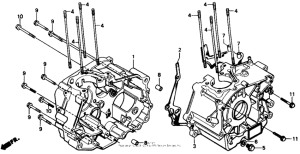
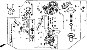
Запчасти для мотоциклов Honda CMX250C Rebel

Год: 1986  •  Код модели: CMX250CD AC  •  Объем двигателя: 250
Запчасти для мотоциклов Honda CMX250C Rebel
{modalWnd}