OEM ЗАПЧАСТИ

  info@automotohub.ru   8 (916) 294-84-77
  О Компании   Оплата и Доставка   Помощь   Обратная связь

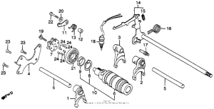
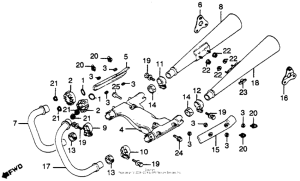
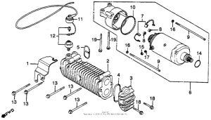
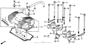
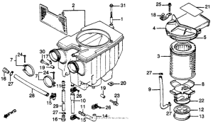
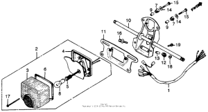
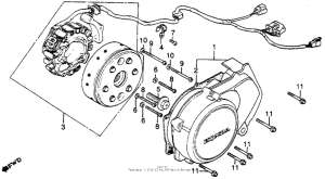
Запчасти для мотоциклов Honda CM450

Год: 1982  •  Код модели: CM450E A  •  Объем двигателя: 450
Запчасти для мотоциклов Honda CM450
Выбирайте узел вашей техники:


{modalWnd}