OEM ЗАПЧАСТИ

  info@automotohub.ru   8 (916) 294-84-77
  О Компании   Оплата и Доставка   Помощь   Обратная связь

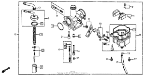
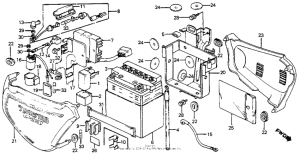
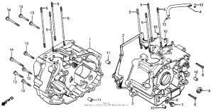
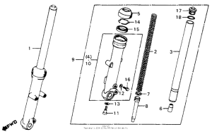
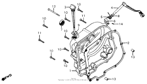
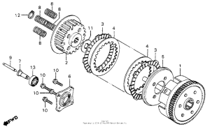
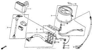
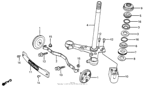
Запчасти для мотоциклов Honda CM200

Год: 1980  •  Код модели: CM200T A  •  Объем двигателя: 200
Запчасти для мотоциклов Honda CM200
{modalWnd}