OEM ЗАПЧАСТИ

  info@automotohub.ru   8 (916) 294-84-77
  О Компании   Оплата и Доставка   Помощь   Обратная связь

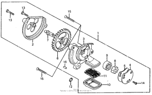
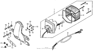
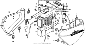
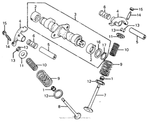
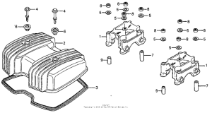
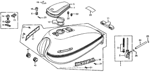
Запчасти для мотоциклов Honda CM185

Год: 1978  •  Код модели: CM185T A  •  Объем двигателя: 185
Запчасти для мотоциклов Honda CM185
{modalWnd}