OEM ЗАПЧАСТИ

  info@automotohub.ru   8 (916) 294-84-77
  О Компании   Оплата и Доставка   Помощь   Обратная связь

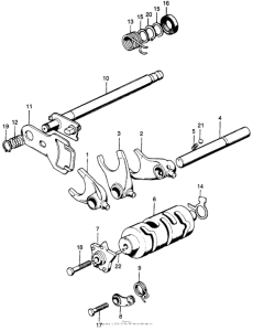
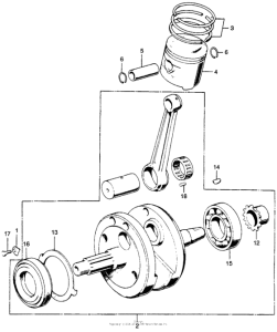
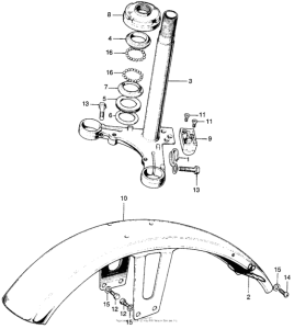
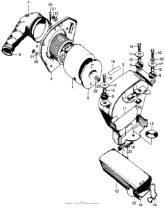
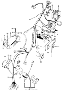
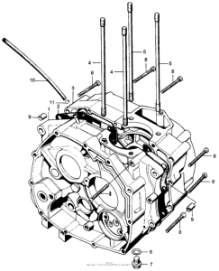
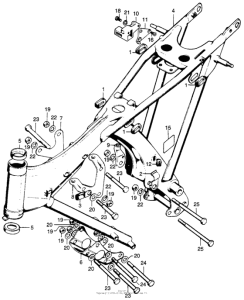
Запчасти для мотоциклов Honda CL100 CL100

  •  Код модели: CL100S2 A  •  Объем двигателя: 100
Запчасти для мотоциклов Honda CL100 CL100
{modalWnd}