OEM ЗАПЧАСТИ

  info@automotohub.ru   8 (916) 294-84-77
  О Компании   Оплата и Доставка   Помощь   Обратная связь

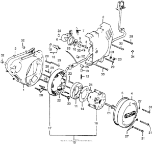
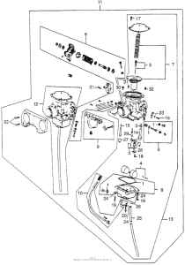
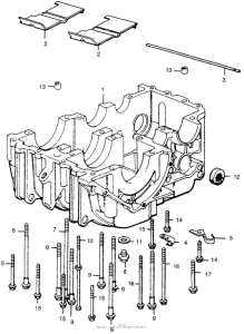
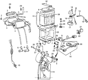
Запчасти для мотоциклов Honda CL360 CL360

  •  Код модели: CL360K1 A  •  Объем двигателя: 360
Запчасти для мотоциклов Honda CL360 CL360
{modalWnd}