OEM ЗАПЧАСТИ

  info@automotohub.ru   8 (916) 294-84-77
  О Компании   Оплата и Доставка   Помощь   Обратная связь

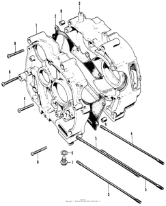
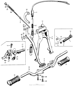
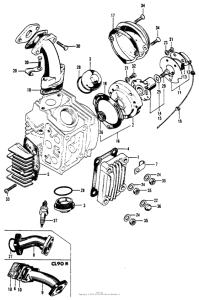
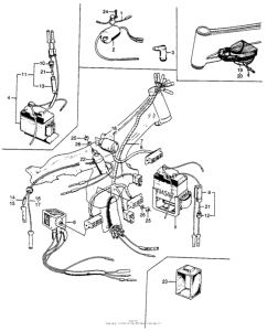
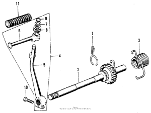
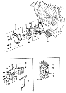
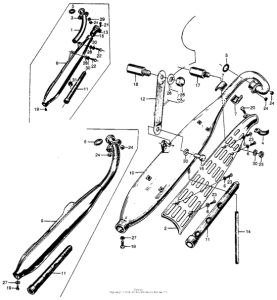
Запчасти для мотоциклов Honda CL90 CL90

  •  Код модели: CL90 A  •  Объем двигателя: 90
Запчасти для мотоциклов Honda CL90 CL90
{modalWnd}