OEM ЗАПЧАСТИ

  info@automotohub.ru   8 (916) 294-84-77
  О Компании   Оплата и Доставка   Помощь   Обратная связь

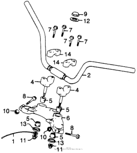
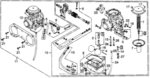
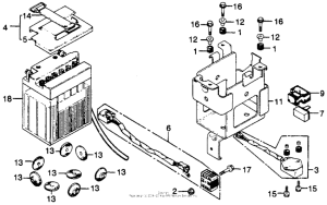
Запчасти для мотоциклов Honda CJ360 CJ360

Год: 1977  •  Код модели: CJ360T A  •  Объем двигателя: 360
Запчасти для мотоциклов Honda CJ360 CJ360
{modalWnd}