OEM ЗАПЧАСТИ

  info@automotohub.ru   8 (916) 294-84-77
  О Компании   Оплата и Доставка   Помощь   Обратная связь

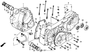
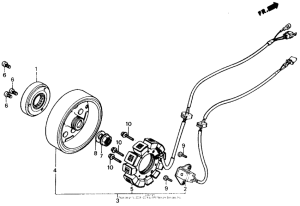
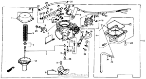
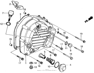
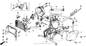
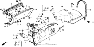
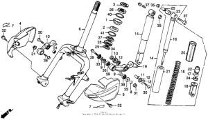
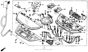
Запчасти для мотоциклов Honda CH250 Elite

Год: 1985  •  Код модели: CH250 A  •  Объем двигателя: 250
Запчасти для мотоциклов Honda CH250 Elite
{modalWnd}