OEM ЗАПЧАСТИ

  info@automotohub.ru   8 (916) 294-84-77
  О Компании   Оплата и Доставка   Помощь   Обратная связь

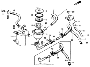
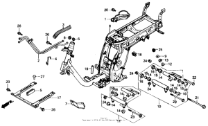
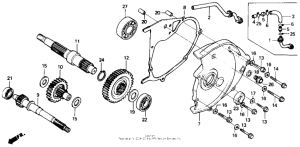
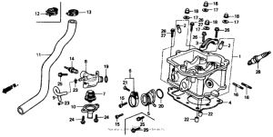
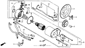
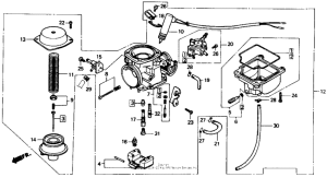
Запчасти для мотоциклов Honda CH150D Elite

Год: 1986  •  Код модели: CH150D A  •  Объем двигателя: 150
Запчасти для мотоциклов Honda CH150D Elite
{modalWnd}