OEM ЗАПЧАСТИ

  info@automotohub.ru   8 (916) 294-84-77
  О Компании   Оплата и Доставка   Помощь   Обратная связь

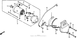
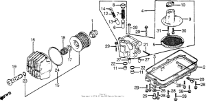
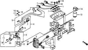
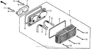
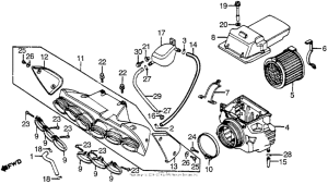
Запчасти для мотоциклов Honda CBX

Год: 1982  •  Код модели: CBX A
Запчасти для мотоциклов Honda CBX
Выбирайте узел вашей техники:


{modalWnd}