OEM ЗАПЧАСТИ

  info@automotohub.ru   8 (916) 294-84-77
  О Компании   Оплата и Доставка   Помощь   Обратная связь

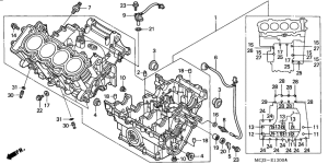
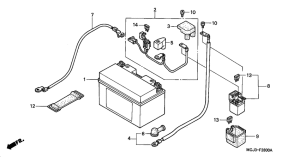
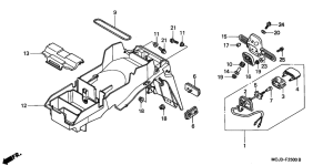
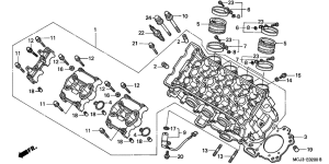
Запчасти для мотоциклов Honda CBR900RE CBR929RR Fireblade

Год: 2001  •  Код модели: CBR900RE1  •  Объем двигателя: 929
Запчасти для мотоциклов Honda CBR900RE CBR929RR Fireblade
Выбирайте узел вашей техники:


{modalWnd}