OEM ЗАПЧАСТИ

  info@automotohub.ru   8 (916) 294-84-77
  О Компании   Оплата и Доставка   Помощь   Обратная связь

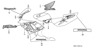
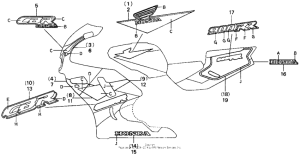
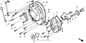
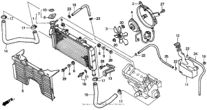
Запчасти для мотоциклов Honda CBR900RR Fireblade

Год: 1994  •  Код модели: CBR900RR AC  •  Объем двигателя: 900
Запчасти для мотоциклов Honda  CBR900RR Fireblade
Выбирайте узел вашей техники:


{modalWnd}