OEM ЗАПЧАСТИ

  info@automotohub.ru   8 (916) 294-84-77
  О Компании   Оплата и Доставка   Помощь   Обратная связь

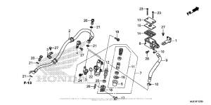
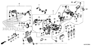
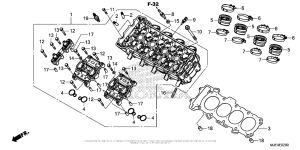
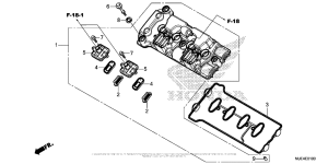
Запчасти для мотоциклов Honda CBR650F

Год: 2016  •  Код модели: CBR650F AC  •  Объем двигателя: 650
Запчасти для мотоциклов Honda CBR650F
Выбирайте узел вашей техники:


{modalWnd}