OEM ЗАПЧАСТИ

  info@automotohub.ru   8 (916) 294-84-77
  О Компании   Оплата и Доставка   Помощь   Обратная связь

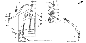
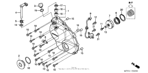
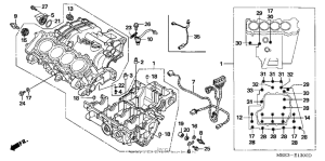
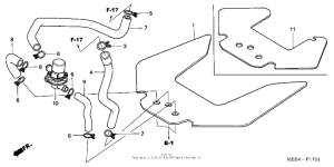
Запчасти для мотоциклов Honda CBR600RR

Год: 2006  •  Код модели: CBR600RR AC  •  Объем двигателя: 600
Запчасти для мотоциклов Honda  CBR600RR
Выбирайте узел вашей техники:


{modalWnd}