OEM ЗАПЧАСТИ

  info@automotohub.ru   8 (916) 294-84-77
  О Компании   Оплата и Доставка   Помощь   Обратная связь

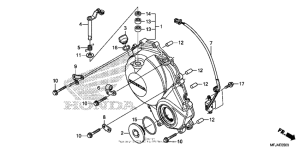
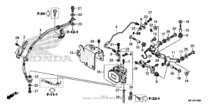
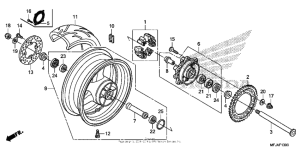
Запчасти для мотоциклов Honda CBR600RR (ABS)

Год: 2012  •  Код модели: CBR600RA AC  •  Объем двигателя: 600
Запчасти для мотоциклов Honda CBR600RR (ABS)
Выбирайте узел вашей техники:


{modalWnd}