OEM ЗАПЧАСТИ

  info@automotohub.ru   8 (916) 294-84-77
  О Компании   Оплата и Доставка   Помощь   Обратная связь

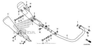
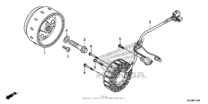
Запчасти для мотоциклов Honda CBR250R

Год: 2012  •  Код модели: CBR250R 3AC  •  Объем двигателя: 250
Запчасти для мотоциклов Honda CBR250R
Выбирайте узел вашей техники:


{modalWnd}