OEM ЗАПЧАСТИ

  info@automotohub.ru   8 (916) 294-84-77
  О Компании   Оплата и Доставка   Помощь   Обратная связь

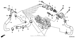
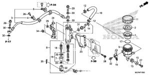
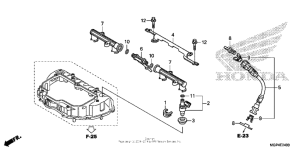
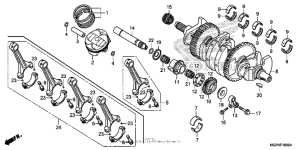
Запчасти для мотоциклов Honda CBR1000RR Fireblade

Год: 2014  •  Код модели: CBR1000RR 4A  •  Объем двигателя: 1000
Запчасти для мотоциклов Honda  CBR1000RR Fireblade
Выбирайте узел вашей техники:


{modalWnd}