OEM ЗАПЧАСТИ

  info@automotohub.ru   8 (916) 294-84-77
  О Компании   Оплата и Доставка   Помощь   Обратная связь

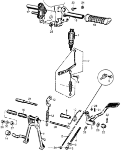
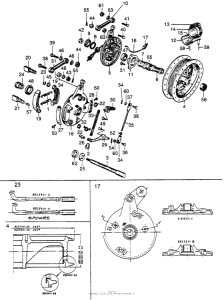
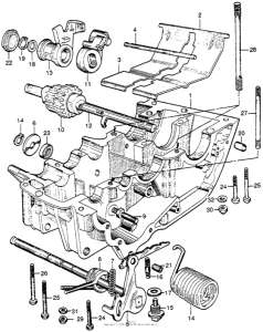
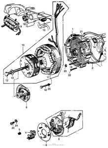
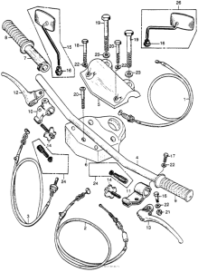
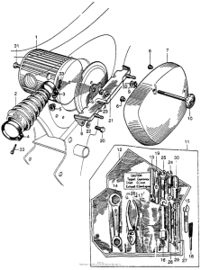
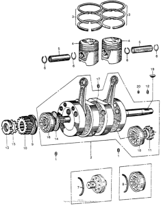
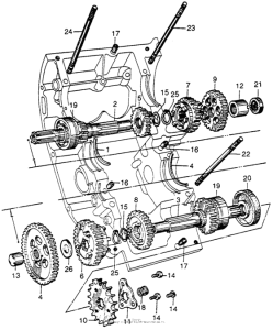
Запчасти для мотоциклов Honda CB92

  •  Код модели: CB92 A  •  Объем двигателя: 92
Запчасти для мотоциклов Honda CB92
{modalWnd}