OEM ЗАПЧАСТИ

  info@automotohub.ru   8 (916) 294-84-77
  О Компании   Оплата и Доставка   Помощь   Обратная связь

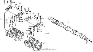
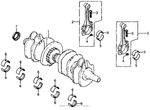
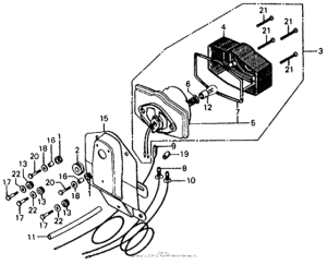
Запчасти для мотоциклов Honda CB750

Год: 1976  •  Код модели: CB750F A  •  Объем двигателя: 750
Запчасти для мотоциклов Honda CB750
{modalWnd}