OEM ЗАПЧАСТИ

  info@automotohub.ru   8 (916) 294-84-77
  О Компании   Оплата и Доставка   Помощь   Обратная связь

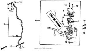
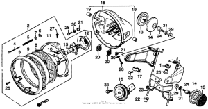
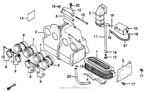
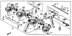
Запчасти для мотоциклов Honda CB750

Год: 1981  •  Код модели: CB750K A  •  Объем двигателя: 750
Запчасти для мотоциклов Honda CB750
Выбирайте узел вашей техники:


{modalWnd}