OEM ЗАПЧАСТИ

  info@automotohub.ru   8 (916) 294-84-77
  О Компании   Оплата и Доставка   Помощь   Обратная связь

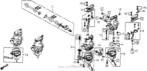
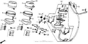
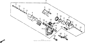
Запчасти для мотоциклов Honda CB650

Год: 1979  •  Код модели: CB650 A  •  Объем двигателя: 650
Запчасти для мотоциклов Honda CB650
{modalWnd}