OEM ЗАПЧАСТИ

  info@automotohub.ru   8 (916) 294-84-77
  О Компании   Оплата и Доставка   Помощь   Обратная связь

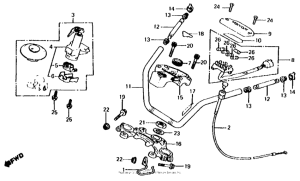
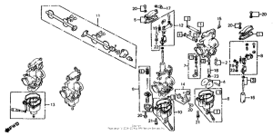
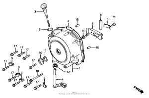
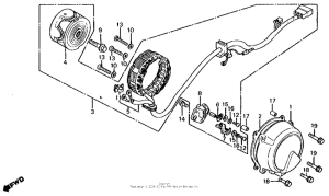
Запчасти для мотоциклов Honda CB650

Год: 1980  •  Код модели: CB650C A  •  Объем двигателя: 650
Запчасти для мотоциклов Honda CB650
{modalWnd}