OEM ЗАПЧАСТИ

  info@automotohub.ru   8 (916) 294-84-77
  О Компании   Оплата и Доставка   Помощь   Обратная связь

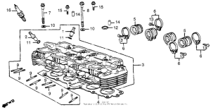
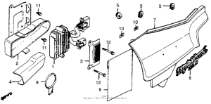
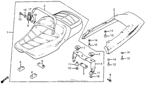
Запчасти для мотоциклов Honda CB650SC

Год: 1982  •  Код модели: CB650SC A  •  Объем двигателя: 650
Запчасти для мотоциклов Honda CB650SC
{modalWnd}