OEM ЗАПЧАСТИ

  info@automotohub.ru   8 (916) 294-84-77
  О Компании   Оплата и Доставка   Помощь   Обратная связь

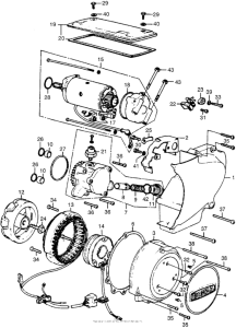
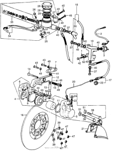
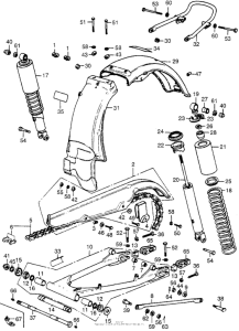
Запчасти для мотоциклов Honda CB550

  •  Код модели: CB550K1 A  •  Объем двигателя: 550
Запчасти для мотоциклов Honda CB550
Выбирайте узел вашей техники:


{modalWnd}