OEM ЗАПЧАСТИ

  info@automotohub.ru   8 (916) 294-84-77
  О Компании   Оплата и Доставка   Помощь   Обратная связь

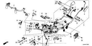
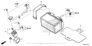
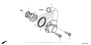
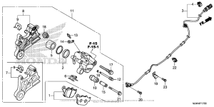
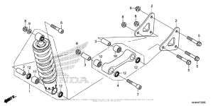
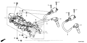
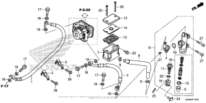
Запчасти для мотоциклов Honda CB500X (ABS)

Год: 2016  •  Код модели: CB500XA 2AC  •  Объем двигателя: 500
Запчасти для мотоциклов Honda CB500X (ABS)
Выбирайте узел вашей техники:


{modalWnd}