OEM ЗАПЧАСТИ

  info@automotohub.ru   8 (916) 294-84-77
  О Компании   Оплата и Доставка   Помощь   Обратная связь

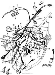
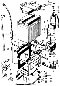
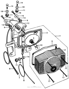
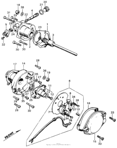
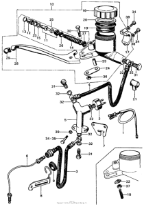
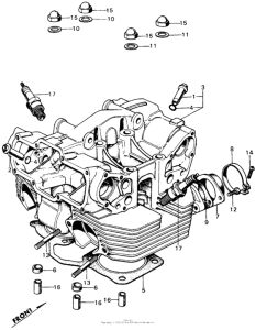
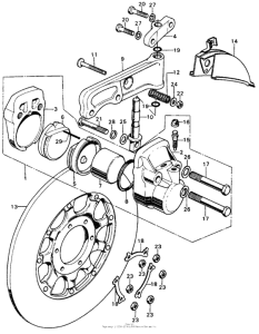
Запчасти для мотоциклов Honda CB450

  •  Код модели: CB450K6 A  •  Объем двигателя: 450
Запчасти для мотоциклов Honda CB450
{modalWnd}