OEM ЗАПЧАСТИ

  info@automotohub.ru   8 (916) 294-84-77
  О Компании   Оплата и Доставка   Помощь   Обратная связь

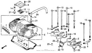
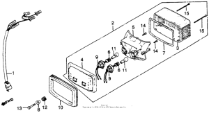
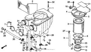
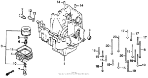
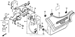
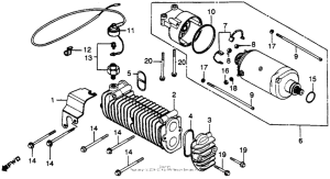
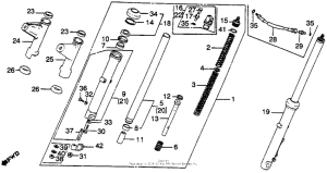
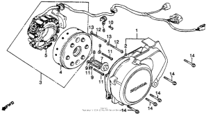
Запчасти для мотоциклов Honda CB450S

Год: 1986  •  Код модели: CB450SC A  •  Объем двигателя: 450
Запчасти для мотоциклов Honda CB450S
{modalWnd}