OEM ЗАПЧАСТИ

  info@automotohub.ru   8 (916) 294-84-77
  О Компании   Оплата и Доставка   Помощь   Обратная связь

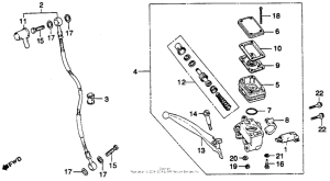
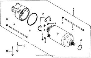
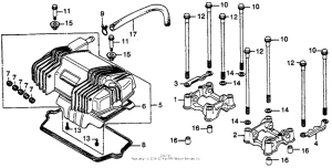
Запчасти для мотоциклов Honda CB400

Год: 1979  •  Код модели: CB400TII A  •  Объем двигателя: 400
Запчасти для мотоциклов Honda CB400
{modalWnd}