OEM ЗАПЧАСТИ

  info@automotohub.ru   8 (916) 294-84-77
  О Компании   Оплата и Доставка   Помощь   Обратная связь

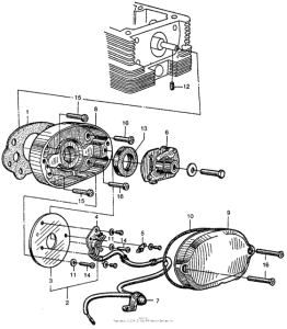
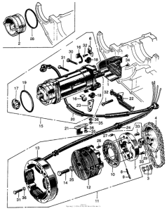
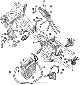
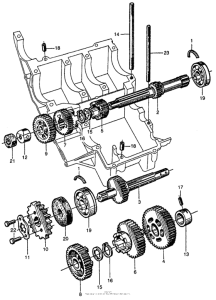
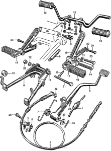
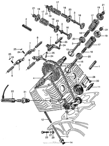
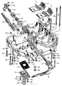
Запчасти для мотоциклов Honda CB160

  •  Код модели: CB160 A  •  Объем двигателя: 160
Запчасти для мотоциклов Honda CB160
{modalWnd}