OEM ЗАПЧАСТИ

  info@automotohub.ru   8 (916) 294-84-77
  О Компании   Оплата и Доставка   Помощь   Обратная связь

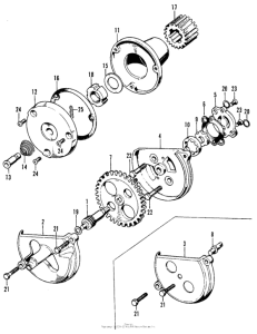
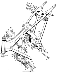
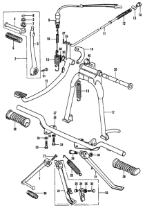
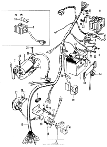
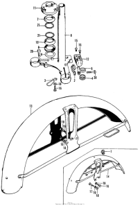
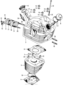
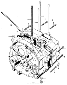
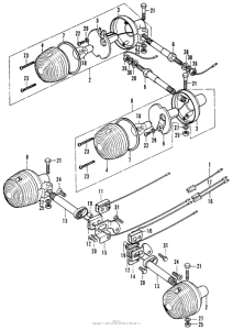
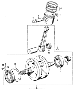
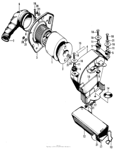
Запчасти для мотоциклов Honda CB125S

  •  Код модели: CB125S2 A  •  Объем двигателя: 125
Запчасти для мотоциклов Honda CB125S
{modalWnd}