OEM ЗАПЧАСТИ

  info@automotohub.ru   8 (916) 294-84-77
  О Компании   Оплата и Доставка   Помощь   Обратная связь

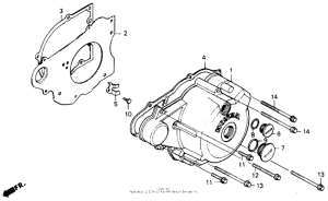
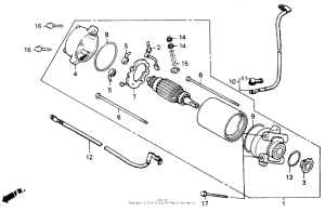
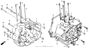
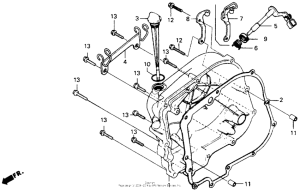
Запчасти для мотоциклов Honda CB125T

Год: 1990  •  Код модели: CB125TT AC  •  Объем двигателя: 125
Запчасти для мотоциклов Honda CB125T
{modalWnd}