OEM ЗАПЧАСТИ

  info@automotohub.ru   8 (916) 294-84-77
  О Компании   Оплата и Доставка   Помощь   Обратная связь

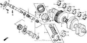
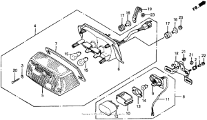
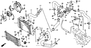
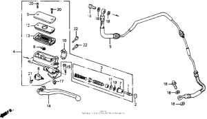
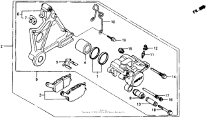
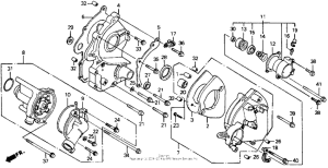
Запчасти для мотоциклов Honda CB1000F CB1000F

Год: 1994  •  Код модели: CB1000 A  •  Объем двигателя: 1000
Запчасти для мотоциклов Honda CB1000F CB1000F
Выбирайте узел вашей техники:


{modalWnd}