OEM ЗАПЧАСТИ

  info@automotohub.ru   8 (916) 294-84-77
  О Компании   Оплата и Доставка   Помощь   Обратная связь

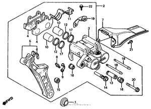
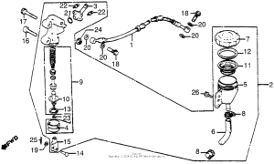
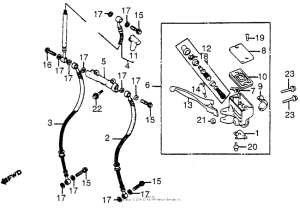
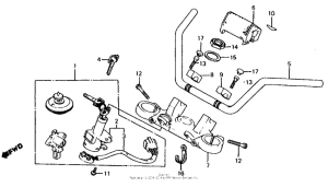
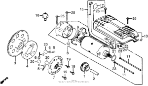
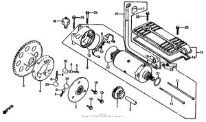
Запчасти для мотоциклов Honda CB1000 CB1000

Год: 1983  •  Код модели: CB1100F A  •  Объем двигателя: 1100
Запчасти для мотоциклов Honda CB1000 CB1000
Выбирайте узел вашей техники:


{modalWnd}