OEM ЗАПЧАСТИ

  info@automotohub.ru   8 (916) 294-84-77
  О Компании   Оплата и Доставка   Помощь   Обратная связь

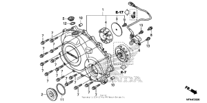
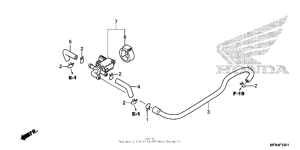
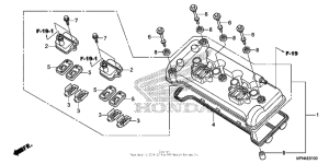
Запчасти для мотоциклов Honda CB1000R CB1000R

Год: 2014  •  Код модели: CB1000R AC  •  Объем двигателя: 1000
Запчасти для мотоциклов Honda CB1000R CB1000R
Выбирайте узел вашей техники:


{modalWnd}