OEM ЗАПЧАСТИ

  info@automotohub.ru   8 (916) 294-84-77
  О Компании   Оплата и Доставка   Помощь   Обратная связь

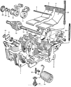
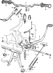
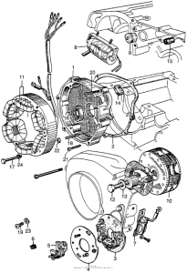
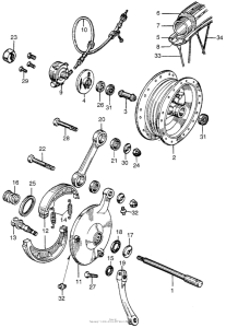
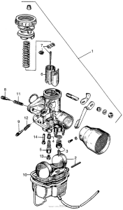
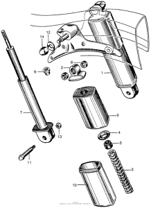
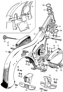
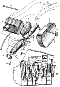
Запчасти для мотоциклов Honda CA95

  •  Код модели: CA95 A  •  Объем двигателя: 95
Запчасти для мотоциклов Honda CA95
{modalWnd}