OEM ЗАПЧАСТИ

  info@automotohub.ru   8 (916) 294-84-77
  О Компании   Оплата и Доставка   Помощь   Обратная связь

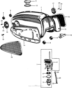
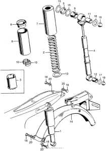
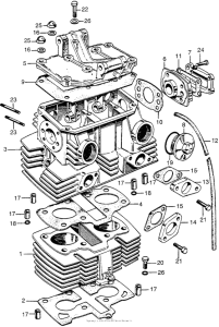
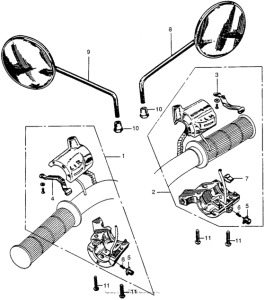
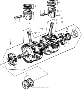
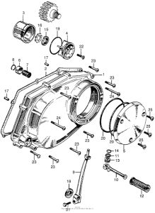
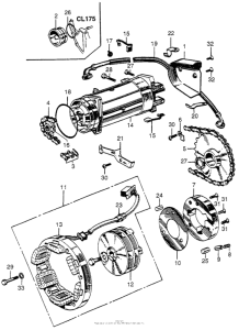
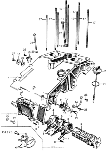
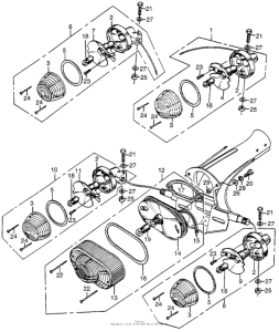
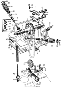
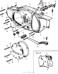
Запчасти для мотоциклов Honda CA175 Touring

Год: 1968  •  Код модели: CA175 A  •  Объем двигателя: 175
Запчасти для мотоциклов Honda CA175 Touring
{modalWnd}