OEM ЗАПЧАСТИ

  info@automotohub.ru   8 (916) 294-84-77
  О Компании   Оплата и Доставка   Помощь   Обратная связь

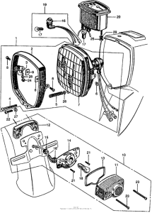
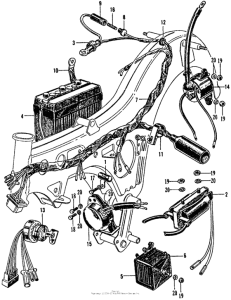
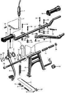
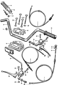
Запчасти для мотоциклов Honda CA160

Год: 1966  •  Код модели: CA160 A  •  Объем двигателя: 160
Запчасти для мотоциклов Honda CA160
{modalWnd}