OEM ЗАПЧАСТИ

  info@automotohub.ru   8 (916) 294-84-77
  О Компании   Оплата и Доставка   Помощь   Обратная связь

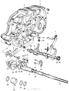
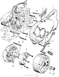
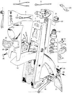
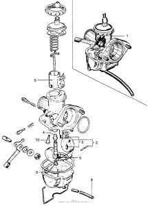
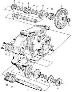
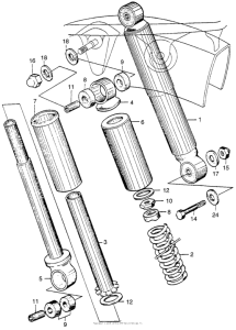
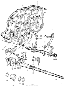
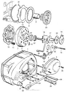
Запчасти для мотоциклов Honda CA110

  •  Код модели: CA110 A  •  Объем двигателя: 110
Запчасти для мотоциклов Honda CA110
{modalWnd}