OEM ЗАПЧАСТИ

  info@automotohub.ru   8 (916) 294-84-77
  О Компании   Оплата и Доставка   Помощь   Обратная связь

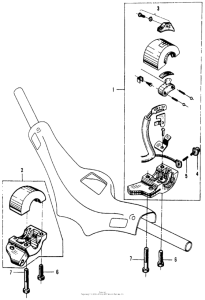
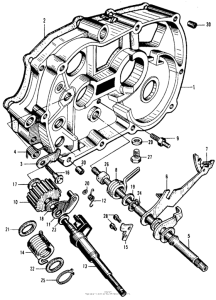
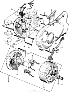
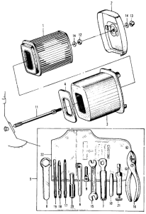
Запчасти для мотоциклов Honda CA105

  •  Код модели: CA105T A  •  Объем двигателя: 105
Запчасти для мотоциклов Honda CA105
{modalWnd}